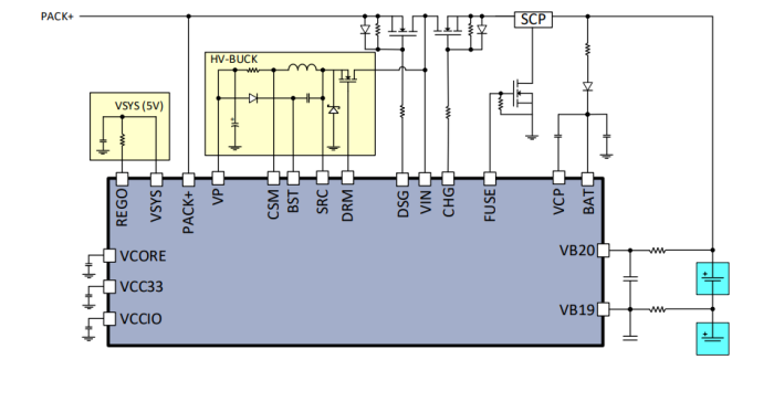
Qorvo PAC22140智能電池監控系統 (BMS) 具有32kB閃存和8kB SRAM,可監控10節至20節鋰離子、鋰聚合物和LiFePO4電池組。PAC22140集成了完全可編程的50MHz 32-bit Arm? Cortex? M0微控制器,包括電池平衡、監控和電池組保護。該模塊可訪問管理多節數電池組所需的多種模擬和數字外設。其中包括一個可編程增益差分放大器、一個10位SAR ADC和多個用于電流和電壓檢測的16位Σ-Δ模數轉換器。單電源145V降壓直流/直流控制器產生5V系統電源軌,為PAC22140供電,集成電荷泵支持充電和放電FET驅動器。

Qorvo PAC22140智能BMS采用9mm x 9mm、60引腳QFN封裝,適用于緊湊型電池監控應用,例如電子交通、園藝工具、電動工具和各種工業電池管理。支持的串行接口包括UART/SPI和I2C/SMBus。
完全可編程50MHz Arm Cortex M0,帶32kB閃存
10s至20s電池監控和平衡
19V至145V輸入降壓直流/直流轉換器
用于柵極驅動的高壓電荷泵
5V/225mA穩壓器
CHG/DSG FET驅動器
20s電池平衡FET (50mA)
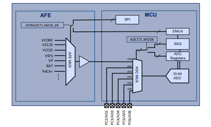
16位SD ADC,用于電流檢測(帶差分PGA )
16位SD ADC,用于電壓檢測、電池平衡
10位SAR ADC,用于電壓/溫度檢測
可編程2級OCP
9mm x 9mm、60引腳QFN封裝,帶電源焊盤
環境溫度范圍 (TA):-40°C至+105°C
園藝工具
電動工具
電子交通
廣泛的工業電池管理








如有需要可通過聯系客服:4008-622-911或關注我司獲取芯片產品規格書或芯片樣品測試(樣品測試:終端廠家專享,需提供公司信息)最終解釋權歸我司所有。
詢價列表 ( 件產品)
哦! 它是空的。