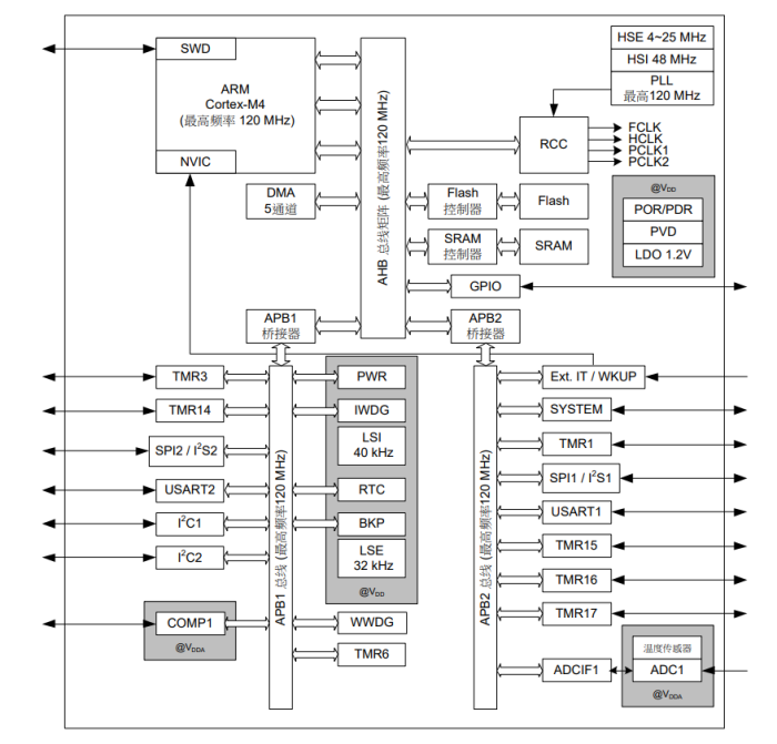
雅特力AT32F421系列微控制器使用高性能的ARM? CortexTM-M4 32位的RISC內核,工作最大頻率為120 MHz,CortexTM-M4內核具有一組DSP指令和提高應用安全性的一個存儲器保護單元(MPU)。
AT32F421系列內置高速嵌入式存儲器(高達64 K字節的閃存和16 K字節的SRAM),豐富的增強I/O 端口和聯接到兩條APB總線的外設。內置存儲器可設置任意范圍程序區受sLib保護,成為執行代碼安 全庫區。 器件包含1個12位的ADC、1個模擬比較器、5個通用16位定時器、和1個高級定時器,還包含標準和 先進的通信接口:多達2個I 2C接口、2個SPI接口(復用為I 2S接口)、2個USART接口、和1個紅外 發射器。

AT32F421系列工作于-40 °C至+105 °C的溫度范圍,供電電壓2.4 V至3.6 V,省電模式保證低功耗應 用的要求。
功能
內核:ARM? 32位CortexTM-M4 CPU
? 最高120 MHz工作頻率,帶存儲器保護單元 (MPU),內建單周期乘法和硬件除法
? 具有DSP指令集
存儲器
? 16 K字節到64 K字節的閃存程序/數據存儲器
? 4 K字節的系統存儲器作啟動加載程序 (Bootloader)用,可一次性配置成一般用 戶程序和數據區
? sLib:將指定之主存儲區設為執行代碼安全 庫區,此區代碼僅能調用無法讀取
? 8 K字節到16 K字節的SRAM
CRC計算單元
復位和電源管理
? 2.4至3.6伏供電和I/O引腳
? 上電/斷電復位(POR/PDR)
? 可編程電壓監測器(PVD)
? 低功耗模式:睡眠、停機、待機,4個WKUP 引腳可喚醒待機模式
? 支持5個32位的后備寄存器
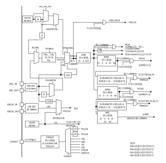
時鐘管理
? 4至25 MHz晶體振蕩器
? 內嵌經出廠調校的48 MHz RC振蕩器 (25 °C達1 %精度,-40 °C至+105 °C達2 % 精度)
? PLL可靈活配置31至500倍頻和1至15分頻系 數
? 內嵌帶校準的40 kHz RC振蕩器
多達39個快速I/O
? 所有都可以映像到外部中斷
? 幾乎所有I/O可容忍5 V輸入電壓
? 所有均為快速I/O,寄存器存取速度最高fAHB
? 帶校準功能的32 kHz晶體振蕩器
5通道DMA控制器
1個12位2 MSPS A/D轉換器,多達15個外部輸入通道
1個比較器,帶5個外部輸入通道和1個內部參考電壓
多達10個定時器
? 1個16位7通道高級定時器,有6通道PWM輸 出,帶死區控制和緊急停止功能
? 多達5個16位定時器,每個定時器最多達4個 用于輸入捕獲/輸出比較/PWM或脈沖計數的通 道和增量編碼器輸入
? 1個16位基本定時器
? 2個看門狗定時器(獨立的和窗口型的)
? 系統滴答定時器:24位遞減計數器
ERTC:增強型RTC,具有鬧鐘、亞秒級精度、 及硬件日歷
多達7個通信接口
? 2個I 2C接口(支持SMBus/PMBus)
? 2個USART接口;支持主同步SPI和調制解調 器控制;具有ISO7816接口、LIN、IrDA能力
? 2個SPI接口(50兆位/秒),2個均可復用為 I 2S接口
? 紅外發射器
串行線調試(SWD)接口
96位的芯片唯一碼(UID)
溫度范圍:-40至+105 °C
封裝
? LQFP48 7 x 7 mm
? LQFP32 7 x 7 mm
? QFN32 5 x 5 mm
? QFN32 4 x 4 mm
? QFN28 4 x 4 mm
? TSSOP20 6.5 x 4.4 mm
型號列表

AT32F421 系列器件功能和配置

AT32F421 系列功能框圖

時鐘樹

AT32F421 系列引腳



詢價列表 ( 件產品)
哦! 它是空的。