NC7SZ08P5X是一款雙輸入與門集成電路芯片,由ON Semiconductor(安森美半導體)生產,它采用了單電源供電設計,具有小尺寸、低功耗和高速度的特點。代理銷售ON安森美半導體旗下電子元器件供應商-中芯巨能將為大家提供NC7SZ08P5引腳詳解、電路圖和封裝圖。
一、NC7SZ08P5X引腳詳解

NC7SZ08P5X是一款雙輸入與門集成電路芯片,共有5個引腳。以下是它的引腳分配詳解:
1. A輸入引腳(Pin 1):A輸入引腳是NC7SZ08P5X的第一個輸入引腳,用于輸入A信號。這個引腳通常與其他數字邏輯電路的輸出端相連。
2. B輸入引腳(Pin 2):B輸入引腳是NC7SZ08P5X的第二個輸入引腳,用于輸入B信號。這個引腳通常與其他數字邏輯電路的輸出端相連。
3. 輸出引腳(Pin 3):輸出引腳是NC7SZ08P5X的輸出端,用于輸出A和B信號的與運算結果。這個引腳通常與其他數字邏輯電路的輸入端相連。
4. 地引腳(Pin 4):地引腳是NC7SZ08P5X的電源地引腳,通常與其他數字邏輯電路的地引腳相連。
5. 電源引腳(Pin 5):電源引腳是NC7SZ08P5X的電源輸入引腳,用于輸入芯片的電源電壓。它可以接受寬電壓范圍的電源輸入,通常與其他數字邏輯電路的電源引腳相連。
二、NC7SZ08P5X電路

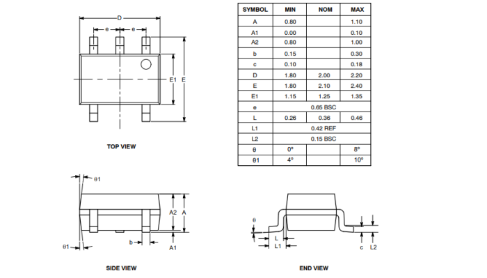
三、NC7SZ08P5X封裝

詢價列表 ( 件產品)
哦! 它是空的。