在電動汽車、ADAS和對現代風格的渴望的推動下,汽車照明正在快速發展。汽車工業繼續向電氣化轉變,導致汽車外部照明發生顯著變化。過去,大型單一功能燈控制著車輛的前部、后部或側面。然而,圍繞著汽車的更新、更薄的設計 取代了他們的位置。汽車制造商正在使用燈光作為標志性的造型特征,并加入動畫來象征品牌身份。這些新設計不僅美觀,而且實用。
動畫尾燈并不新鮮,因為它們首次出現在1960年的肌肉車,如1965年的雪佛蘭黑斑羚SS。它采用了一種獨特的尾燈設計,稱為“Impala Super Sport順序尾燈”,其中包括一種順序照明模式,可以激活轉向燈指示燈。從那時起,汽車led、MCU的進步以及電動汽車的興起增加了動畫尾燈的受歡迎程度。汽車設計師現在可以靈活地設計顯示信息或添加獨特的個性化簽名風格的動畫燈。例如,一些汽車現在配備了LED照明,使其他司機或行人更容易預測汽車的運動或向車主提供“歡迎”照明序列。
雖然法律上不要求安裝動畫尾燈,但當安裝在車輛上時,它們必須符合特定地區的照明安全標準。在美國,這些法規是根據聯邦機動車輛安全標準(FMVSS)第108號制定的。它概述了照明設備的技術規范,例如在美國公共道路上銷售的車輛上的燈的顏色、強度、定位和對準。在歐洲和亞洲部分地區,聯合國歐洲經濟委員會(UNECE)第48號法規中也有類似的標準。所有照明法規的目標是提高能見度,促進一致、可靠的信號,并提高公共道路上車輛的整體安全性。
盡管存在微小的地區差異,但共性是所有乘用車必須至少有兩個紅色尾燈對稱地位于其縱向中心線的兩側,在正常日光條件下從一定距離可見(例如,100米UN ECE R48)。FMVSS108和UN ECE R48最近都針對LED燈進行了更新,設置了最小發光強度、顏色和PWM衍生的閃爍率。所有這三個新要求都將對基于LED的動畫尾燈產生影響。
為了制造出既實用又美觀的LED燈,工程師和設計師面臨著控制大量LED像素點而不是幾個LED串的新挑戰。隨著汽車設計變得更加流線型和空氣動力學,燈的形狀和位置變得更加重要。車燈必須與汽車的整體設計完美契合,同時仍能提供足夠的可見度、安全性、可靠性、能效,并符合政府法規。
動畫車外燈通過向其他駕駛員提供額外信息,有助于提高道路安全。隨著這些燈變得越來越復雜,它們可以使用復雜的圖案和動畫來顯示更多的安全信息。這將需要從控制LED燈串或白熾燈泡塊轉移到驅動單個LED像素。為了實現這一點,需要大量的工程和設計創新。需要特殊的驅動器來形成一個矩陣或一簇獨立控制的led,橫跨汽車的整個后部。只有帶數字接口的LED驅動器才能控制動畫照明所需的大量LED。
圖1顯示了照明控制架構從傳統到更新的動畫像素照明的演變。

圖一。汽車照明控制架構
車輛的照明系統由包含電子設備和微控制器(MCU)的車身控制模塊(BCM)管理。BCM管理車身中的各種電氣和電子系統,包括照明、車窗、后視鏡、座椅和車門。
在過去,照明動畫不是一項要求,因此BCM可以使用MCU的通用輸入/輸出(GPIO)引腳輕松啟用FET或繼電器開關來控制LED燈串或白熾燈泡。今天,BCM的MCU需要控制具有不同LED排列和動畫模式的各種燈。隨著對動畫照明功能需求的不斷增加,BCM現在與照明專用電子控制模塊(ECU)相互作用,向控制單個LED組的多個LED驅動器發送命令。
動畫照明的設計挑戰
承擔動畫照明系統設計的汽車工程師面臨著一些艱巨的挑戰,如控制熱量、滿足功能安全目標和保持成本最小化。雖然led比白熾燈泡有許多優勢,但要使它們符合汽車要求也存在挑戰。通過仔細選擇合適的LED類型及其驅動器,可以簡化與合規性、光學、外殼和電氣設計相關的挑戰。所選的LED驅動器應具有微調單個LED亮度的能力,并在ECU和LED照明系統之間進行快速準確的通信。
示例分離RCL設計
多種多樣的后組合燈(RCL)設計賦予車輛與眾不同的獨特外觀。從白熾燈泡到LED尾燈的轉變開啟了廣泛的設計可能性,如動畫轉向燈、動畫歡迎照明等。實現分裂燈設計照明效果需要多個LED驅動器來控制具有不同流明/瓦特和從白色、琥珀色、紅色和超紅色的不同顏色的各種LED。這些照明部件可以分布在車輛上,并使用線束相互連接。
后組合燈如圖2所示;這是一種分體式設計,一半燈在車身上,另一半燈在行李箱上。實現無縫動畫效果需要通過嘈雜的線束進行通信,這會影響動畫的可靠性。為了解決這些問題,需要控制器局域網(CAN)總線來確保快速、可靠的通信。CAN總線將BCM連接到ECU,并將ECU連接到LED驅動器。

圖二。帶CAN總線的RCL
Lumissil Microsystems提供各種LED驅動器,旨在滿足動畫燈設計的需求,同時解決前面提到的挑戰。
Lumissil的IS32LT3138A LED驅動器旨在微控制器(MCU)控制板和驅動器之間建立可靠的板外通信(見圖3)。它提供與CANFD物理層兼容的高速1MHz UART接口。IS32LT3138A通過在線束的發射端和接收端分別使用工業標準UART至CAN物理層,實現可靠的長距離通信。每個驅動器都有18個高壓(16V)恒流通道,便于使用LED燈串。通過使用一個電阻,所有OUTx通道可以配置為吸收高達100mA的電流。

圖3.IS32LT3138A 18通道LED驅動器,帶UART至CAN接口
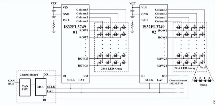
Lumissil在高亮度、矩陣和動畫類別中為汽車LED照明提供許多具有成本效益的獨特解決方案。用于汽車動畫的新型LED驅動器之一是IS32FL3749.它是一個矩陣LED驅動器,具有快速33MHz串行移位菊花鏈總線,可以互連多個IS32FL3749器件。每個驅動器有24個高壓(16V)恒流通道。這種高電壓能力便于用一串正向電壓最高可達16V的led來代替每個像素(圖4)。通過使用一個電阻,所有行通道都可以配置為吸收高達60mA的電流。該驅動器還包括四個列控制,允許它驅動24(行)× 4(列)LED陣列,陣列大小為96個LED。陣列中的每個LED還可以映射為紅色、綠色或藍色組,以實現RGB組控制,從而減少數據編程流量。

圖4.帶33MHz串行移位總線的IS32FL3749 24×4矩陣LED驅動器
故障診斷和功能安全
由于汽車尾燈的可靠性直接影響道路安全,LED驅動器IC需要監控汽車的尾燈。即使是很小的燈故障也可能導致事故。幸運的是,led的預期壽命比汽車的使用壽命更長。然而,它們仍然容易受到隨機故障的影響。IS32LT3138A和IS31FL3749都集成了LED故障檢測和報告功能,以滿足功能安全目標。故障事件記錄在寄存器中,MCU可通過總線接口訪問這些寄存器。
結論和總結
外部汽車照明服務于一個更大的目的,而不僅僅是確保最佳的車輛能見度。它已經發展成為汽車尾燈創新設計背后的主要驅動力。使用動畫LED的新一代照明設計已經出現,并取代了傳統的白熾燈泡和LED燈串。如今的汽車需要創新的照明技術,既能滿足功能需求,又能體現品牌形象。這種下一級的汽車照明效果只能通過獨立控制大量的發光二極管來實現。
IS32LT3138A和IS32FL3749等先進的LED驅動器使照明設計師能夠管理和顯示汽車照明效果,同時增強安全性并豐富整體用戶體驗。Lumissil Microsystems提供其他專注于動畫的LED驅動器,如獨立順序照明驅動器IS32LT3146和48通道串行移位驅動器IS32FL3248.這些和其他LED驅動器在實現當代照明技術的同時提高每個人的交通安全方面發揮著至關重要的作用。
詢價列表 ( 件產品)
哦! 它是空的。