Atmel愛特梅爾(MICROCHIP(美國微芯)收購)ATMEGA64A-AUR是一款基于低功耗CMOS 8位微控制器的產品,基于AVR?增強型RISC架構。通過執行強大的指令在單個時鐘周期內,ATMEGA64A-AUR實現了接近1MIPS每MHz的吞吐量。這使系統設計者能夠針對功耗與處理速度來優化設備。

特征
高性能、低功耗Atmel AVR 8位微控制器
?高級RISC體系結構
–130條功能強大的指令-大多數單時鐘周期執行
–32×8通用工作寄存器+外圍控制
寄存器
–全靜態運行
–16MHz時高達16MIPS吞吐量
–片上2周期乘法器
?高耐久性非易失性內存段
–64K字節的系統內自編程閃存程序
記憶力
–2K字節EEPROM
–4K字節內部SRAM
–寫入/擦除周期:10000閃存/100000 EEPROM
–數據保留期:85°C下20年/25°C下100年(1)
–具有獨立鎖定位的可選引導代碼段
?通過片上引導程序進行系統內編程
?真正的邊寫邊讀操作
–高達64 KB的可選外部內存空間
–軟件安全編程鎖
-用于系統內編程的SPI接口
?JTAG(符合IEEE標準1149.1)接口
-邊界掃描能力符合JTAG標準
–廣泛的片上調試支持
–通過JTAG接口對閃存、EEPROM、保險絲和鎖位進行編程
?Atmel QTouch?庫支持
–電容式觸摸按鈕、滑塊和滾輪
–Atmel QTouch和QMatrix采集
–多達64個感應通道
?外圍功能
–兩個帶獨立預分頻器和比較模式的8位定時器/計數器
–兩個擴展的16位定時器/計數器,帶獨立的預分頻器、比較模式和捕獲
模式
–帶獨立振蕩器的實時計數器
–兩個8位PWM通道
–6個PWM通道,可編程分辨率為1至16位
–輸出比較調制器
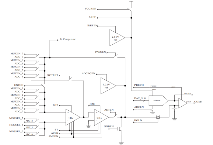
–8通道、10位ADC
?8個單端通道
?7個差分通道
?2個可編程增益為1x、10x或200x的差分信道
–面向字節的雙線串行接口
–雙可編程串行USART
–主/從SPI串行接口
–帶片上振蕩器的可編程看門狗定時器
-片上模擬比較器
?特殊的微控制器功能
–通電復位和可編程燒壞檢測
–內部校準RC振蕩器
–外部和內部中斷源
–六種睡眠模式:空閑、ADC降噪、省電、斷電、待機和
延長待機時間
–軟件可選時鐘頻率
–保險絲選擇的ATmega103兼容模式
–全局上拉禁用
?I/O和軟件包
–53條可編程I/O線
–64引線TQFP和64焊盤QFN/MLF
?工作電壓
–2.7-5.5伏
?速度等級
–0-16MHz
應用
嵌入式系統
物聯網
消費電子
引腳

方框圖

模數轉換器應用電路圖

詢價列表 ( 件產品)
哦! 它是空的。