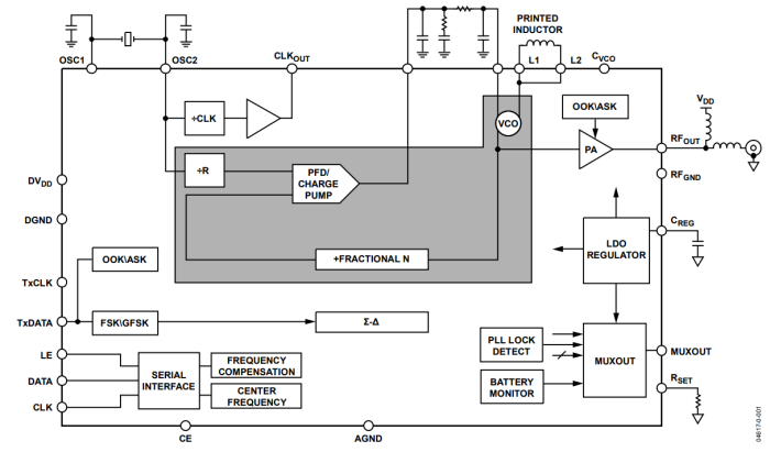
亞德諾ADF7012BRUZ-RL7是一款低功率FSK/GFSK/OOK/GOOK/ASK超高頻發射機,專為短程設備(SRD)設計。輸出功率、輸出通道、偏移頻率和調制類型可通過使用四個32位寄存器進行編程。

分數N PLL和帶外部電感器的VCO使用戶能夠選擇75MHz到1GHz頻帶中的任何頻率。分數N PLL的快速鎖定時間使ADF7012BRUZ-RL7適用于快速跳頻系統。可用的精細頻率偏差和PLL相位噪聲性能有助于窄帶操作。
有五種可選擇的調制方案:二進制頻移鍵控(FSK)、高斯頻移鍵控制(GFSK)、二進制開-關鍵控(OOK)、Gaussian開關鍵控(GOOK)和幅度移位鍵控(ASK)。在補償寄存器中,輸出可以以<1ppm的步長移動,從而可以對晶體參考中的頻率誤差進行間接補償。一個簡單的3線接口控制寄存器。在斷電時,
該部件具有典型的小于0.1μa的靜態電流。
特征
單片低功率超高頻發射機
75 MHz至1 GHz頻率操作
使用分數N PLL的多通道操作
2.3 V至3.6 V操作
車載調節器
可編程輸出功率
?16 dBm至+14 dBm,0.4 dB階躍
數據速率:直流至179.2 kbps
低電流消耗
868兆赫,10分貝,21毫安
433 MHz,10 dBm,17 mA
315 MHz,0 dBm,10 mA
可編程電池低電壓指示燈
24TSSOP封裝
應用
低成本無線數據傳輸
安全系統
射頻遙控器
無線計量
安全無鑰匙進入

引腳圖

功能框圖

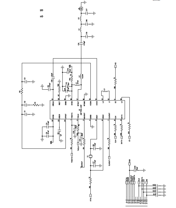
應用實例圖
詢價列表 ( 件產品)
哦! 它是空的。