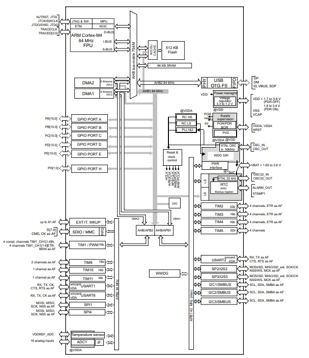
ST(意法半導體)的型號STM32F401CEU6TR屬于32位MCU微控制器,基于高性能ARM?Cortex?-M4 32位RISC內核,工作頻率高達84MHz。其Cortex?-M4內核具有浮點單元(FPU)單精度,支持所有ARM單精度數據處理指令和數據類型。它還實現了一整套DSP指令和增強應用程序安全性的內存保護單元(MPU)。

STM32F401CEU6TR包含高速嵌入式存儲器(512KB閃存,96KB SRAM),以及連接到兩條APB總線、兩條AHB總線和32位多AHB總線矩陣的大量增強型I/O和外圍設備。
STM32F401CEU6TR提供一個12位ADC、一個低功耗RTC、六個通用16位定時器,包括一個用于電機控制的PWM定時器和兩個通用32位定時器。它們還具有標準和高級通信接口。
STM32F401CEU6TR的功能特點
1、高性能處理器:STM32F401CEU6TR采用ARM Cortex-M4內核,最高主頻達到84MHz,具有高性能運算能力和高處理效率。它支持浮點運算單元(FPU),能夠處理復雜的算法和數據運算。
2、豐富的存儲空間:STM32F401CEU6TR內部集成了512KB的閃存和96KB的SRAM,可以存儲大量的程序代碼和數據。此外,它還支持外部擴展的存儲器,如SD卡、EEPROM等。
3、多種通信接口:STM32F401CEU6TR具有多種通信接口,包括SPI、I2C、USART、CAN和USB等。這些接口使其能夠與其他外設和設備進行數據交換和通信,廣泛應用于物聯網、工業控制和通信等領域。
4、豐富的外設:STM32F401CEU6TR內部集成了多種外設,如定時器、PWM輸出、ADC/DAC轉換器、GPIO引腳等,可以滿足各種應用需求。同時,它還支持多種模擬和數字信號處理功能,如模擬濾波、電流檢測等。
5、低功耗設計:STM32F401CEU6TR采用低功耗設計,具有多種低功耗模式,可有效節省能源。它還具有事件觸發器和休眠模式等功能,可以在不需要運行時降低功耗,延長電池壽命。
6、強大的開發生態系統:意法半導體提供了豐富的開發工具和軟件庫,如STM32CubeMX和STM32Cube軟件包,可快速開發和調試應用程序。
STM32F401CEU6TR的中文參數
品牌:ST(意法半導體)
產品分類:32位MCU
程序存儲容量 512KB(512K x 8)
品牌:ST(意法半導體)
程序存儲器類型 閃存
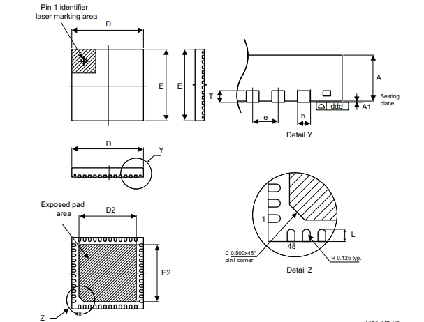
封裝:48-UFQFPN(7x7)
RAM大小:96K x 8
商品標簽:通用類MCU
電壓-供電(Vcc/Vdd):1.7V ~ 3.6V
核心處理器:ARM Cortex-M4
數據轉換器:A/D 10x12b
內核規格:32-位
振蕩器類型:內部
速度:84MHz
工作溫度:-40°C ~ 85°C(TA)
連接能力:I2C,IrDA,LINbus,SDIO,SPI,UART/USART,USB OTG
安裝類型:表面貼裝型
外設:欠壓檢測/復位,DMA,I2S,POR,PWM,WDT
基本產品編號:STM32F401
I/O數:36
STM32F401CEU6TR的應用領域
STM32F401CEU6TR是一款32位的ARM Cortex-M4內核微控制器,其主要應用領域如下:
1、工業自動化:STM32F401CEU6TR具有較高的計算性能和豐富的外設,適用于各種工業自動化應用,如PLC(可編程邏輯控制器)、工業通信、廠商自動化等。
2、消費電子:STM32F401CEU6TR具備低功耗和高性能的特點,適用于消費電子產品,如智能家居、智能電視、音頻設備、嵌入式系統等。
3、通信和網絡設備:STM32F401CEU6TR集成了多個外設,包括以太網、CAN總線、USB、UART等,并支持多種通信協議,如TCP/IP、Modbus等,適用于通信和網絡設備的開發,如路由器、交換機、網關、傳感器節點等。
4、醫療設備:STM32F401CEU6TR的高性能、低功耗和豐富的外設功能,適用于醫療設備的開發,如醫療監護儀、診斷設備、手持設備等。
STM32F401CEU6TR的引腳封裝圖


STM32F401CEU6TR的原理圖

STM32F401CEU6TR的型號解釋圖

詢價列表 ( 件產品)
哦! 它是空的。