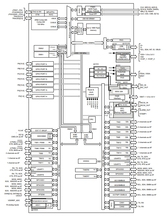
ST(意法半導體)的型號STM32F412VGT6TR屬于32位MCU微控制器,采用高性能Arm?Cortex?-M4 32位RISC內核,工作頻率高達100MHz。它們的Cortex?-M4內核具有浮點單元(FPU)單精度,支持所有Arm單精度數據處理指令和數據類型。它還實現了一整套DSP指令和一個增強應用程序安全性的內存保護單元(MPU)。

STM32F412VGT6TR屬于STM32動態效率? 產品線(結合了能效、性能和集成的產品),同時添加了一種新的創新功能,稱為批處理采集模式(BAM),從而在數據批處理過程中節省更多的功耗。STM32F412VGT6TR包含高速嵌入式存儲器(高達1兆字節的閃存,256千字節的SRAM),以及連接到兩條APB總線、三條AHB總線和32位多AHB總線矩陣的大量增強型I/O和外圍設備。
STM32F412VGT6TR提供一個12位ADC、一個低功耗RTC、十二個通用16位定時器、兩個用于電機控制的PWM定時器和兩個通用32位定時器。
一、STM32F412VGT6TR的功能特點
1、高性能:STM32F412VGT6TR采用了ARM Cortex-M4內核,最高主頻可達100MHz,具備高性能的計算能力。此外,它還配備了多達1MB的閃存和256KB的SRAM,提供了足夠的存儲空間。
2、豐富的外設:STM32F412VGT6TR擁有多個外設接口,其中包括16個通用定時器、3個SPI接口、3個I2C接口、3個USART接口、4個USART接口等。這些外設接口的豐富性使得STM32F412VGT6TR能夠應對多種不同的應用需求。
3、強大的通信能力:STM32F412VGT6TR支持多種通信協議,例如CAN接口、USB接口和Ethernet MAC接口,可以輕松實現各種通信需求,如CAN總線通信、USB設備或主機功能、以太網通信等。
4、豐富的安全功能:STM32F412VGT6TR提供了硬件加密引擎和安全訪問控制,以提供更高水平的系統安全性。此外,它還具備離線加密算法和支持實時操作系統的硬件防護功能。
5、低功耗特性:STM32F412VGT6TR具有多種低功耗模式,包括低功耗運行模式和多種休眠模式。這使得它能夠在低功耗狀態下運行,延長電池壽命,適用于對功耗要求較高的應用。
二、STM32F412VGT6TR的應用領域
STM32F412VGT6TR是一款32位高性能微控制器,廣泛應用于各種領域,其主要應用領域如下:
1、工業自動化:STM32F412VGT6TR具有高性能、高可靠性和豐富的外設接口,適用于工業自動化領域的控制器、驅動器和傳感器等設備。它支持多種通信協議(如SPI、I2C、CAN等),可完美滿足工業環境下的各種需求。
2、消費類電子產品:由于STM32F412VGT6TR集成了豐富的功能和低功耗特性,因此被廣泛應用于消費類電子產品,如智能手機、平板電腦、數字相機、游戲機等。它的高性能處理能力和豐富的外設接口能夠滿足多樣化的應用需求。
3、智能家居:STM32F412VGT6TR可用于智能家居系統的集中控制器,通過與各種傳感器、執行器和通信模塊的配合,實現智能家居中的安全監控、照明控制、環境監測等功能。它的高性能和低功耗特性使得智能家居系統更加可靠且省電。
4、醫療設備:STM32F412VGT6TR在醫療設備中也得到了廣泛的應用,如醫療監測設備、醫療圖像處理、生命支持系統等。它的高性能運算能力和穩定性能夠滿足醫療設備對實時性和準確性的要求,同時也支持各種通信協議和外設接口,方便與其他設備進行數據交換和聯網。
三、STM32F412VGT6TR的中文參數
品牌:ST(意法半導體)
產品分類:32位MCU
I/O數:81
程序存儲容量:1MB(1M x 8)
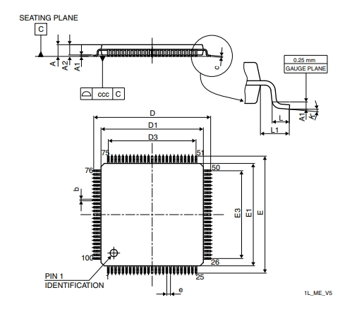
封裝:100-LQFP(14x14)
程序存儲器類型:閃存
包裝:圓盤
RAM大小:256K x 8
商品標簽:通用類MCU
電壓-供電(Vcc/Vdd):1.7V ~ 3.6V
核心處理器:ARM Cortex-M4
數據轉換器:A/D 16x12b
內核規格:32-位
振蕩器類型:內部
速度:100MHz
工作溫度:-40°C ~ 85°C(TA)
連接能力:CANbus,EBI/EMI,I2C,IrDA,LINbus,MMC/SD/SDIO,QSPI,SPI,UART/USART,USB OTG
安裝類型:表面貼裝型
外設:欠壓檢測/復位,DMA,I2S,LCD,POR,PWM,WDT
基本產品編號:STM32
STM32F412VGT6TR的引腳封裝圖


STM32F412VGT6TR的原理圖

STM32F412VGT6TR的型號解釋圖

詢價列表 ( 件產品)
哦! 它是空的。