有幾種專門為LDO(低壓差)穩壓器設計的集成電路芯片。使用標準運算放大器和分立元件構建 LDO 是一種替代方案。這是LDO電路的一種設計:
%E7%94%B5%E8%B7%AF%E8%AE%BE%E8%AE%A1.png)
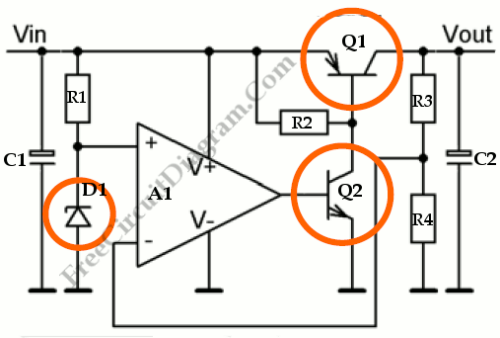
這里有一些選擇組件值的指南:
選擇D1是為了獲得最佳性能,開關過渡曲線越尖銳越好。有人說5,6V齊納二極管比其他電壓具有更好的穩壓能力。但實際上您可以使用低于預期最小輸出電壓的任何電壓。輸出電壓為Vd(R4+R3)/R3,其中Vd是齊納二極管D1的電壓。
R1 的選擇應確保 D1 的準確電壓在輸入電源范圍變化上的漂移最小。查看 D1 數據表。 R1通常并不重要,可以使用較大的值來節省電流損耗。
R3和R4用于設置預期的輸出電壓,并且選擇盡可能大的值以節省電流損耗,但應遠小于運算放大器的輸入阻抗。
選擇 Q1 是為了實現最低的 Vce 壓降,從而實現最佳性能、更高的增益 (hFe),并且集電極電流必須能夠處理預期的最大負載電流。
如果穩壓器需要調節低壓源,則 Q2 必須具有低壓降 Vce,但如果輸入電源電壓較高,則Q2 的 Vce 壓降并不那么重要。
可以選擇 R2 以確保 Q2 始終“導通”,即使在穩壓器空載時也是如此。只需記住,R2 兩端的電壓與 Q1 的 Vbe 相同,您可以設置 R2 的值,以將 Q2 的電流 Ice 設置為 Q2 的 Ibe/Ice 曲線的最佳值。
選擇運算放大器 A1 以獲得最佳高增益、最高輸入阻抗。 A1 最重要的特性是輸出擺幅應能夠降至 Q2 Vbe 開啟點以下。
詢價列表 ( 件產品)
哦! 它是空的。