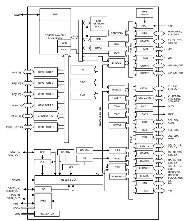
ST(意法半導體)生產的型號STM32L072KBU6屬于超低功耗MCU微控制器,結合了通用串行總線(USB 2.0無晶體)的連接能力,高速嵌入式存儲器(高達192KB的閃存程序存儲器、6KB的數據EEPROM和20KB的RAM)以及廣泛的增強型I/O和外圍設備。STM32L072KBU6提供高功率效率,可實現廣泛的性能。這是通過大量選擇內部和外部時鐘源、內部電壓自適應和幾種低功耗模式實現的。

STM32L072KBU6提供多種模擬功能,一個帶硬件過采樣的12位ADC、兩個DAC、兩個超低功耗比較器、多個定時器、一個低功耗定時器(LPTIM)、四個通用16位定時器和兩個基本定時器、一臺RTC和一個SysTick(可用作時基)。它們還具有兩個看門狗,一個具有獨立時鐘和窗口功能的看門狗,以及一個基于總線時鐘的窗口看門狗。此外,STM32L072KBU6嵌入了標準和高級通信接口:最多三個I2C、兩個SPI、一個I2S、四個USART、一個低功耗UART(LPUART)和一個無晶體USB。
這些設備提供多達24個電容感測通道,只需為任何應用程序添加觸摸感測功能。 STM32L072KBU6還包括一個實時時鐘和一組備用寄存器,它們在待機模式下保持通電。超低功率STM32L072KBU6在1.8至3.6 V電源(斷電時降至1.65 V)下運行,并帶有BOR選項,在1.65至3.6 V的電源下運行,無BOR選項。它們可在-40至+125°C溫度范圍內使用。一組全面的節能模式允許設計低功耗應用。
意法半導體STM32L072KBU6的應用領域
STM32L072KBU6是一款低功耗MCU微控制器,主要特點包括高性能、低功耗、安全性和靈活性,其主要應用領域如下:
1、物聯網(IoT)應用:該款微控制器具有低功耗和高性能的特點,可以用于物聯網設備,如傳感器、智能家居、智能城市等。
2、工業自動化:STM32L072KBU6支持多種工業通信協議,如CAN、UART、SPI和I2C,可以應用于工業自動化設備,如PLC、工業機器人和儀器儀表。
3、智能電網:該款微控制器集成了多種電源管理功能,適用于智能電網應用,如智能電表、智能電力監控和能源管理系統。
4、無線通信:STM32L072KBU6支持多種無線通信標準,如Bluetooth低功耗(BLE)和LoRa,可以應用于物聯網通信設備、智能穿戴設備等。
5、醫療設備:由于其低功耗和高性能特點,該款微控制器適用于醫療設備,如便攜式健康監測設備、醫療傳感器、注射器等。
意法半導體STM32L072KBU6的中文參數
品牌:ST(意法半導體)
產品分類:32位MCU
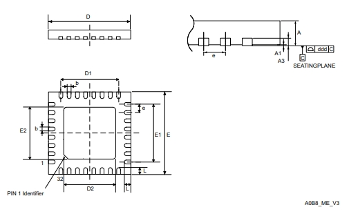
封裝:32-UFQFPN(5x5)
包裝:托盤
核心處理器:ARM Cortex-M0+
內核規格:32-位
速度:32MHz
連接能力:I2C,IrDA,SPI,UART/USART,USB
外設:欠壓檢測/復位,DMA,POR,PWM,WDT
I/O數:23
程序存儲容量:128KB(128K x 8)
程序存儲器類型:閃存
EEPROM容量:6K x 8
RAM大?。?0K x 8
電壓-供電(Vcc/Vdd):1.65V ~ 3.6V
數據轉換器:A/D 10x12b;D/A 2x12b
振蕩器類型:內部
工作溫度:-40°C ~ 85°C(TA)
安裝類型:表面貼裝型
基本產品編號:STM32L072
HTSUS:8542.31.0001
產品應用:超低功耗MCU
意法半導體STM32L072KBU6的功能特點
1、低功耗:STM32L072KBU6采用了意法半導體先進的低功耗技術,在工作狀態和待機狀態下都能有效降低功耗,延長電池壽命。
2、高性能:STM32L072KBU6采用了ARM Cortex-M0+內核,運行頻率高達32MHz,處理器性能強大,能夠高效地處理各種任務。
3、多種外設接口:STM32L072KBU6支持多種外設接口,包括SPI、I2C、USART等,可以靈活連接各種外部設備,實現各種通信功能。
4、豐富的存儲器:STM32L072KBU6內置192KB的Flash存儲器和20KB的SRAM,可以存儲大量的程序和數據,并支持EEPROM模擬功能。
5、智能電源管理:STM32L072KBU6具有先進的電源管理功能,支持多種電源模式切換,可根據不同的需求靈活調整功耗和性能。
6、強大的安全性能:STM32L072KBU6集成了多種安全機制,包括硬件加密引擎、隨機數發生器、獨立的供電域等,可以提供可靠的安全保護。
7、多種封裝選項:STM32L072KBU6提供多種封裝選項,包括LQFP、UFQFPN等,方便用戶在不同的應用場景使用。


意法半導體STM32L072KBU6的引腳封裝圖

意法半導體STM32L072KBU6的原理圖

意法半導體STM32L072KBU6的型號解釋圖
詢價列表 ( 件產品)
哦! 它是空的。