ST(意法半導體)生產的型號STM32H745ZGT6屬于32位MCU微控制器,采用高性能Arm?Cortex?-M7和Cortex?M4 32位RISC內核。Cortex?-M7內核的工作頻率高達480MHz,Cortex?M4內核的工作速度高達240 MHz。這兩個內核都具有浮點單元(FPU),支持Arm?單精度和雙精度(Cortex?-M7內核)操作和轉換(符合IEEE 754),包括一整套DSP指令和一個內存保護單元(MPU),以增強應用程序的安全性。

STM32H745ZGT6包含高速嵌入式存儲器,具有高達2M字節的雙組閃存、高達1M字節的RAM(包括192 KB的TCM RAM、高達864 KB的用戶SRAM和4 KB的備份SRAM),以及連接到APB總線、AHB總線、2x32位多AHB總線矩陣和支持內部和外部存儲器訪問的多層AXI互連。
STM32H745ZGT6提供三個ADC、兩個DAC、兩個超低功耗比較器、一個低功耗RTC、一個高分辨率定時器、12個通用16位定時器、兩個用于電機控制的PWM定時器、五個低功耗定時器、一個真隨機數發生器(RNG)。該設備支持用于外部∑-Δ調制器(DFSDM)的四個數字濾波器。它們還具有標準和高級通信接口。
意法半導體STM32H745ZGT6的中文參數
品牌:ST(意法半導體)
產品分類:32位MCU
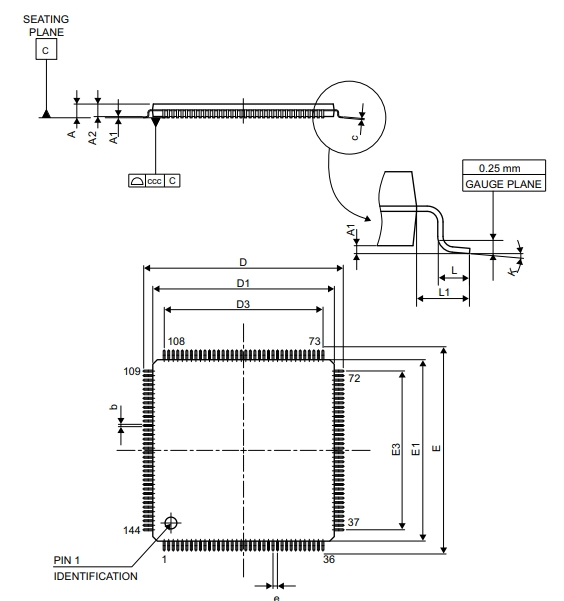
封裝:144-LQFP(20x20)
包裝:托盤
核心處理器:ARM Cortex-M4,Cortex-M7
內核規格:32-位
速度:240MHz,480MHz
連接能力:CANbus,EBI/EMI,以太網,I2C,IrDA,LINbus,MDIO,MMC/SD/SDIO,QSPI,SAI,SPDIF,SPI,SWPMI,UART/USART,USB OTG
外設:欠壓檢測/復位,DMA,I2S,LCD,POR,PWM,WDT
I/O數:97
程序存儲容量:1MB(1M x 8)
程序存儲器類型:閃存
RAM大?。?M x 8
電壓-供電(Vcc/Vdd):1.62V ~ 3.6V
數據轉換器:A/D 23x16b; D/A 2x12b
振蕩器類型:內部
工作溫度:-40°C ~ 85°C(TA)
安裝類型:表面貼裝型
基本產品編號:STM32
產品應用:高性能MCU
意法半導體STM32H745ZGT6的功能特點
1、32位Arm?Cortex?-M7內核,帶雙精度FPU和L1緩存:16 KB數據和16 KB指令緩存,頻率最高480 Hz、MPU、1027 DMIPS/2.14 DMIPS/MHz(Dhrystone 2.1)和DSP指令;
2、32位Arm?32位Cortex?-M4內核,帶FPU,自適應實時加速器(ART加速器?) 用于內部閃存和外部存儲器,頻率高達240MHz、MPU、300 DMIPS/1.25 DMIPS/MHz(Dhrystone 2.1)和DSP指令存儲器;
3、高達2MB的閃存,支持邊讀邊寫;
4、1MB RAM:192 KB TCM RAM;
5、64KB的ITCM RAM+128KB的DTCM RAM用于時間關鍵例程),864 KB的用戶SRAM,以及備份域中4KB的SRAM;
6、雙模式Quad SPI存儲器接口,最高運行133MHz;
7、靈活的外部存儲控制器,最多支持32位數據總線:SRAM、PSRAM、SDRAM/LPSDR SDRAM、NOR/NAND閃存;
8、在同步模式下,內存時鐘最高可達125MHz;
9、CRC計算單元安全;
10、ROP、PC-ROP、主動篡改通用輸入/輸出;
11、多達168個具有中斷功能的I/O端口。
意法半導體STM32H745ZGT6的應用領域
STM32H747AII6是一款高性能32位MCU,廣泛應用于各個領域的嵌入式系統和物聯網應用,其主要應用領域如下:
汽車電子:STM32H747AII6具有強大的圖形處理能力和嵌入式顯示控制器,可用于汽車儀表板、信息娛樂系統、導航系統、駕駛員輔助系統等。
工業自動化:STM32H747AII6可用于控制和監測工業設備和生產線,具有高性能和實時性能,支持多種通信協議,如CAN、Ethernet、USART等。
醫療設備:STM32H747AII6具有高性能和低功耗特性,適用于醫療設備,如血壓計、血糖儀、心率監測器等。
智能物聯網設備:STM32H747AII6適用于各種物聯網設備,如智能傳感器、智能環境監測器、智能家具等。
家庭自動化:STM32H747AII6支持各種通信協議,如Ethernet、Wi-Fi、Bluetooth等,可用于智能家居系統,如智能照明、智能安防、智能家電等。
STM32H745ZGT6的引腳封裝圖


STM32H745ZGT6的功能方框圖

STM32H745ZGT6的型號解釋圖

如需數據手冊、芯片測試、采購、BOM配單等需求,請聯系我們。
詢價列表 ( 件產品)
哦! 它是空的。