ST(意法半導體)的型號STM8S208C8T6TR屬于8位MCU微控制器,提供32至128KB的閃存程序內存,STM8S微控制器系列參考手冊中將它們稱為高密度設備。

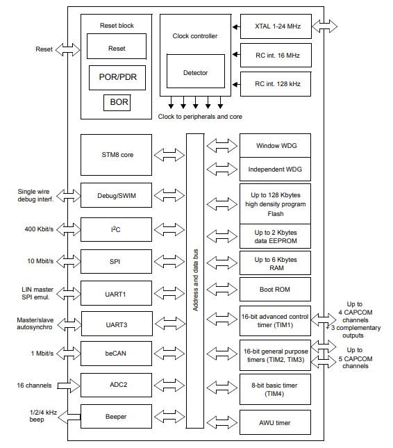
所有STM8S208C8T6TR具有以下優點:降低系統成本、性能魯棒性、縮短開發周期和產品壽命。由于集成了高達300k寫入/擦除周期的真實數據EEPROM,以及具有內部時鐘振蕩器、看門狗和斷電復位的高系統集成水平,系統成本得以降低。
STM8S208C8T6TR性能通過24MHz CPU時鐘頻率下的20 MIPS和增強的特性來保證,這些特性包括魯棒的I/O、獨立的看門狗(具有單獨的時鐘源)和時鐘安全系統。
由于具有兼容引腳、內存映射和模塊化外圍設備的通用系列產品架構的應用程序可擴展性,因此可以保證開發周期短。完整的文檔提供了多種開發工具。STM8S208C8T6TR產品壽命得到了保證,這得益于其先進的核心,該核心采用先進的技術制造,適用于2.95V至5.5V工作電源的應用。
意法半導體STM8S208C8T6TR的功能特點
1、高性能:STM8S208C8T6TR采用了基于專用技術的高性能8位STM8內核,最高頻率可達到24 MHz,能夠提供優異的性能和響應速度。
2、富有擴展性:STM8S208C8T6TR擁有8KB的閃存存儲器和1KB的RAM,可以滿足大多數嵌入式應用的需求。此外,它還提供了多個通用用途的I/O端口,支持多種外設接口(如UART、SPI、I2C等),方便與外部設備進行通信。
3、豐富的外設:STM8S208C8T6TR內置了多種常用外設,比如定時器、計數器、通用輸入/輸出引腳,以及模擬比較器等。這些外設可以滿足各種應用需求,例如定時任務、PWM輸出、模擬信號測量等。
4、低功耗特性:STM8S208C8T6TR采用了低功耗設計,具有多種低功耗模式,能夠在不同應用場景下實現功耗的有效管理,延長系統的電池壽命。
5、可靠性和穩定性:STM8S208C8T6TR具有溫度范圍廣、抗輻射、抗電磁干擾等特點,保證了系統的可靠性和穩定性。
意法半導體STM8S208C8T6TR的中文參數
品牌:ST(意法半導體)
產品分類:8位MCU
系列:STM8S
安裝類型:表面貼裝
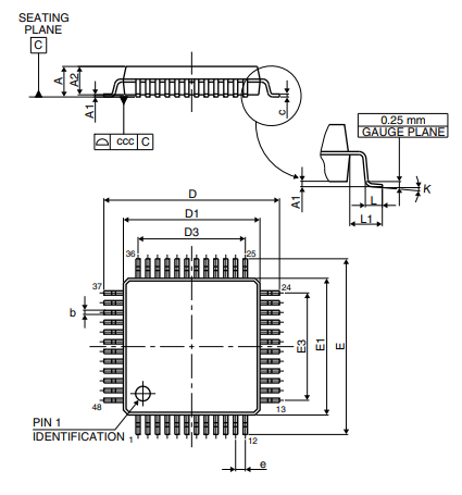
封裝/外殼:LQFP48
工作溫度:-40℃~+85℃
接口:CANbus, I2C, IrDA, LINbus, SPI, UART/USART
零件狀態:Active
CPU內核:STM8
主頻速度(Max):24MHz
I/O數:38
程序空間容量:64KB
程序空間類型:閃存
工作電壓(范圍):2.95V~5.5V
內存RAM容量:6x8KB
EEPROM容量:2x8KB
內核規格:8Bit
意法半導體STM8S208C8T6TR的應用領域
STM8S208C8T6TR適用于廣泛的嵌入式應用領域,其主要應用領域如下:
工業自動化:STM8S208C8T6TR可用于控制和監視工業自動化系統,如自動化設備、工廠自動化、過程控制等。
汽車電子:STM8S208C8T6TR適用于汽車電子控制單元(ECU)和汽車系統,如發動機控制單元(ECU)、車身電子、座艙電子等。
家電和消費電子:STM8S208C8T6TR可用于控制家用電器和消費電子產品,如洗衣機、冰箱、空調、音頻設備等。
儀器儀表:STM8S208C8T6TR適用于儀器儀表領域,如電子測量設備、電子測試儀器、數據采集系統等。
能源管理:STM8S208C8T6TR用于能源監測和管理系統,如智能電表、太陽能系統、電力管理設備等。
智能家居:STM8S208C8T6TR可用于智能家居領域,如智能燈控、家用安全系統、智能門鎖等。
工業控制:STM8S208C8T6TR適用于工業控制系統,如PLC控制器、運動控制、感應器和執行器控制等。


意法半導體STM8S208C8T6TR的引腳封裝圖

意法半導體STM8S208C8T6TR的功能方框圖

意法半導體STM8S208C8T6TR的型號解釋圖
詢價列表 ( 件產品)
哦! 它是空的。