ST(意法半導體)的型號STM32L4R9ZIY6TR屬于32位MCU微控制器,采用高性能Arm?Cortex?-M4 32位RISC核心的超低功耗微控制器家族(STM32L4+系列),它們的工作頻率最高可達120兆赫。Cortex-M4核心具有單精度浮點單元(FPU),支持所有Arm?單精度數據處理指令和所有數據類型。cortex - m4核心還實現了一整套DSP(數字信號處理)指令和一個內存保護單元(MPU),增強了應用程序的安全性。

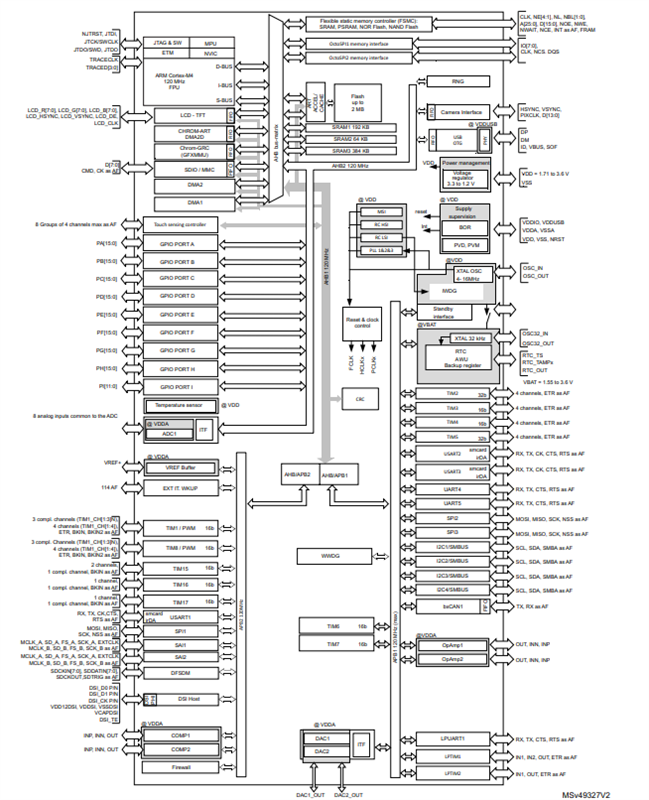
STM32L4R9ZIY6TR嵌入高速存儲器(2mbytes的Flash存儲器和640kbytes的SRAM),用于靜態存儲器的靈活外部存儲器控制器(FSMC)(適用于100管腳及以上包的設備),兩個OctoSPI Flash存儲器接口(適用于所有包),以及廣泛的增強I/ o和外設,連接到兩個APB總線,兩個AHB總線和一個32位多AHB總線矩陣。
STM32L4R9ZIY6TR為嵌入式閃存和SRAM嵌入了幾種保護機制:讀出保護、寫保護、專有代碼讀出保護和防火墻。這些器件提供一個快速12位ADC (5 Msps)、兩個比較器、兩個運算放大器、兩個DAC通道、一個內部電壓參考緩沖器、一個低功耗RTC、兩個通用32位定時器、兩個專用于電機控制的16位PWM定時器、7個通用16位定時器和兩個16位低功耗定時器。該器件支持四個用于外部sigma delta調制器(DFSDM)的數字濾波器。此外,多達24個電容感應通道可用。
意法半導體STM32L4R9ZIY6TR的功能特點
高性能:STM32L4R9ZIY6TR內置的ARM Cortex-M4內核具有高達120 MHz的主頻,支持單周期乘法和硬件除法指令,以及單周期乘累加指令,可提供出色的計算性能。此外,該芯片還具有512KB的閃存和320 KB的SRAM,可滿足各種應用的存儲需求。
低功耗:STM32L4R9ZIY6TR采用了意法半導體的超低功耗技術,具有多種功耗模式和節能特性,可顯著降低系統功耗。它具有多個低功耗模式,如待機模式、睡眠模式和停機模式,可根據應用需求靈活選擇,并且具有快速喚醒的能力。
多種接口:STM32L4R9ZIY6TR支持多種外設和接口,包括SPI、I2C、UART、USB、CAN等。這些豐富的接口能夠滿足不同應用場景下的通信需求,擴展了芯片的應用范圍。
安全性:STM32L4R9ZIY6TR具有硬件加密和安全引導功能,可提供高級的數據保護和系統安全性。它支持多種加密算法,如AES、MD5等,保護數據的機密性和完整性。此外,它還具有用于安全Bootloader和運行時防護(RTOS)的安全功能,可提供可靠的系統安全性。
多種封裝和溫度范圍:STM32L4R9ZIY6TR提供多種封裝選項,包括LQFP和BGA,并且支持工業級溫度范圍(-40°C至+85°C),適合各種工業和嵌入式應用。
意法半導體STM32L4R9ZIY6TR的中文參數
品牌:ST(意法半導體)
產品分類:32位MCU
封裝:144-WLCSP(5.24x5.24)
核心處理器:ARM Cortex-M4
內核規格:32-位
速度:120MHz
連接能力:CANbus,EBI/EMI,I2C,IrDA,LINbus,MMC/SD,SAI,SPI,UART/USART,USB OTG
外設:欠壓檢測/復位,DMA,LCD,POR,PWM,WDT
I/O數:112
程序存儲容量:2MB(2M x 8)
程序存儲器類型:閃存
RAM大小:640K x 8
電壓-供電(Vcc/Vdd):1.71V ~ 3.6V
數據轉換器:A/D 16x12b;D/A 2x12b
振蕩器類型:內部
工作溫度:-40°C ~ 85°C(TA)
安裝類型:表面貼裝型
基本產品編號:STM32L4R9
意法半導體STM32L4R9ZIY6TR的應用領域
STM32L4R9ZIY6TR是一款高性能的微控制器,適用于多種應用領域,其主要應用領域如下:
1、工業自動化:STM32L4R9ZIY6TR具有高性能和低功耗特性,適合用于工業自動化控制系統,如PLC(可編程邏輯控制器)、機器人控制和傳感器網絡等。
2、智能家居:該微控制器支持低功耗操作模式,適合用于智能家居設備,如智能門鎖、智能插座、溫濕度傳感器等。
3、醫療設備:STM32L4R9ZIY6TR具有高精度的模擬和數字轉換功能,適用于醫療設備,如心電圖儀、血糖儀、血壓計等。
4、消費電子:STM32L4R9ZIY6TR提供豐富的外設接口以及低功耗特性,適合用于消費電子產品,如智能手表、智能手機、藍牙音頻設備等。
意法半導體STM32L4R9ZIY6TR的引腳封裝圖


意法半導體STM32L4R9ZIY6TR的功能方框圖

意法半導體STM32L4R9ZIY6TR的型號解釋圖

詢價列表 ( 件產品)
哦! 它是空的。