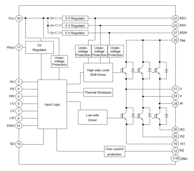
TOSHIBA(東芝)TPD4163K是一款采用高壓PWM控制的直流無刷電機驅動器。它采用高壓SOI工藝制造。它是用于電流傳感的三分流電阻電路。它包含電平移位高側驅動器、低側驅動器、IGBT輸出、FRD以及過電流電路、欠電壓保護電路和熱關斷電路的保護功能。只需將MCU或電機控制器的邏輯輸入輸入到TPD4163K,就可以輕松控制直流無刷電機。

東芝TPD4163K的特點
高壓電源側和低壓信號側端子是分開的。
它是最好的電流傳感在三個分流電阻。
自舉電路提供簡單的高側電源。
內置自舉二極管。
死區時間可設置為最小1μs,適用于來自驅動器的正弦波。
使用IGBT的三相橋式輸出。
包括過流和欠壓保護、SD引腳控制的停機功能以及熱停機。
內置5V(典型值)的調節器。
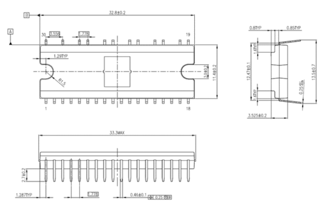
該封裝為30引腳DIP型。
東芝TPD4163K的應用
直流無刷電機驅動器IC
東芝TPD4163K的引腳封裝圖


東芝TPD4163K的功能方框圖

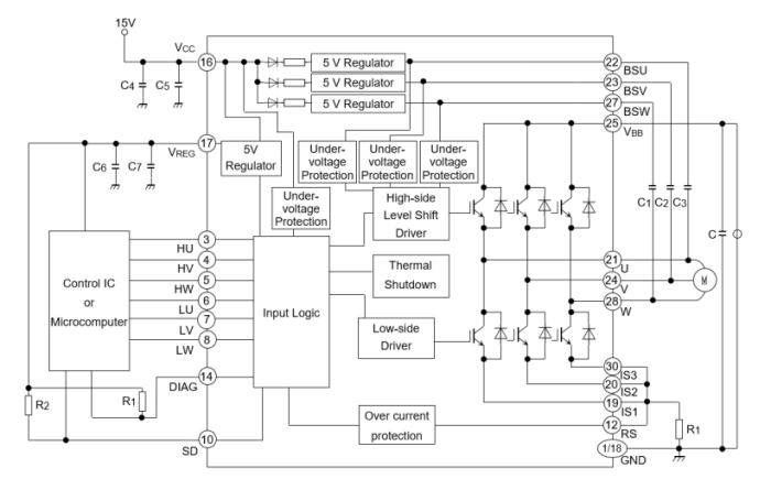
東芝TPD4163K的典型應用示例圖

詢價列表 ( 件產品)
哦! 它是空的。