NSI6602是一系列高可靠性的隔離式雙通道柵極驅動器IC, 可以設計為驅動高達2MHz開關頻率的功率晶體管。每個輸出可以以快速的25ns傳播延遲和5ns的最大延遲匹配來提供最大4A/6A的拉灌電流能力。NSI6602在5*5mmLGA13封裝中按照UL1577提供2500Vrms隔離, 在SOP16封裝中提供3000Vrms隔離, 在SOW16和SOW14封裝中提供5700Vrms隔離。100kV/us的最小共模瞬變抗擾度(CMTI)提高系統魯棒性。該驅動器的最大電源電壓為28V,而輸入側則接受3V至5.5V的電源電壓。所有電源電壓引腳均支持欠壓鎖定(UVLO)保護。

NSI6602產品特性
? 隔離式雙通道驅動器
? 輸入側電源電壓: 2.7V至5.5V
? 驅動器側電源電壓:使用UVLO時高達28V
? 峰值4A/6A拉灌電流能力
? 高CMTI: ±100KV/μs
? 19ns典型傳播延遲
? 5ns最大延遲匹配
? 6ns最大脈沖寬度失真
? 可編程死區時間
? 接受最小輸入脈沖寬度20ns
? 工作溫度 -40℃~125℃
? 封裝形式:LGA13, SOW14, SOW16, SOP16
? AEC-Q100認證
安全認證
? UL1577認證
LGA13:1分鐘 2.5kVrms
SOW14:1分鐘 5.7kVrms
SOW16:1分鐘 5.7kVrms
SOP16:1分鐘3kVrms
? CQC認證:符合GB4943.1-2011
? CSA認證:組件符合5A
? VDE認證:DIN V VDE V 0884-11:2017-1
NSI6602應用場景
? 服務器,電信和工業中的隔離式DC-DC和AC-DC電源
? DC-AC太陽能逆變器
? 電機驅動和EV充電
? UPS和電池充電器
功能框圖

引腳配置


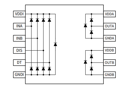
ESD結構

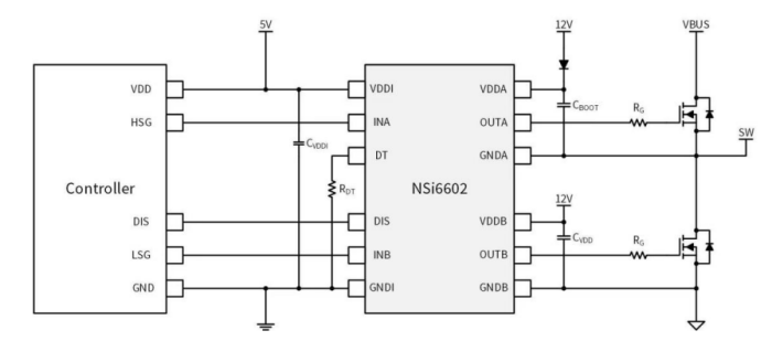
典型半橋應用示意圖

詢價列表 ( 件產品)
哦! 它是空的。