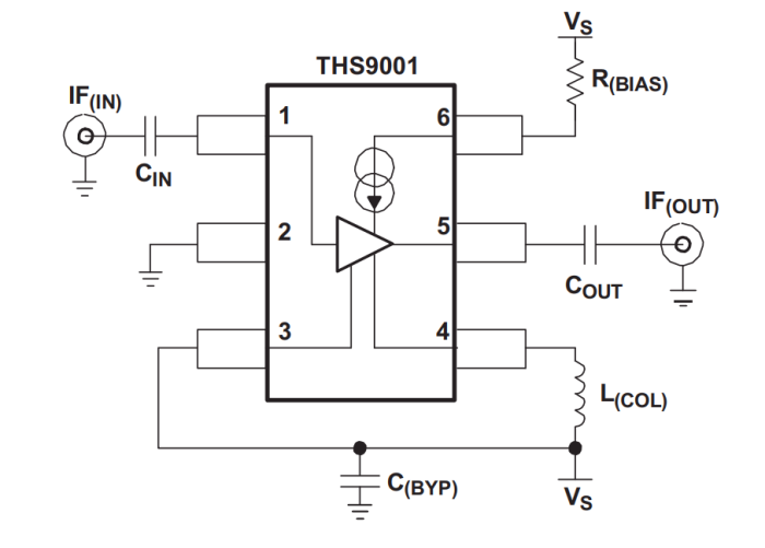
THS9001是一款中等功率、可級聯的增益塊,針對高中頻頻率進行了優化。該放大器集成了與50Ω匹配的內部阻抗,并在VS=5 V、R(BIAS)=237Ω、L(COL)=470 nH的情況下,實現了大于15 dB的輸入和從50 MHz到350 MHz的輸出回波損耗。設計只需要2個直流阻塞電容器、1個電源旁路電容器、一個射頻扼流圈和一個偏置電阻器。
特性
高動態范圍
OIP3=36 dBm
NF<4.5 dB
單電源電壓
高速
VS=3 V至5 V
IS=可調
輸入/輸出阻抗
50Ω
應用
中頻放大器
TDMA:GSM,IS-136,EDGE/UWE-136
CDMA:IS-95、UMTS、CDMA2000
無線本地環路
無線局域網:IEEE802.11
功能框圖

THS9001DBVT引腳和功能

簡化示意圖

雙轉換接收機架構示例

EVM底部布局

EVM頂部布局

詢價列表 ( 件產品)
哦! 它是空的。