在現代通信技術中,美信MAX485ESA+T收發器是一個備受關注的焦點。本文將詳細介紹這款收發器的特點和應用場景,幫助讀者更好地了解和使用它。作為一款專業的工業級收發器,美信MAX485ESA+T在數據通信領域具有廣泛的應用,特別適用于遠距離數據傳輸和多節點系統。下面將從以下幾個方面對該收發器做出詳細介紹。

首先,美信MAX485ESA+T收發器的特點非常突出。它采用了高性能的片上電流限制器,能夠有效地保護通信線路不受電流過大的影響。同時,它還具有高噪聲抑制能力,能夠有效地抵抗線路噪聲對通信質量的干擾。此外,該收發器還支持高速通信,最高傳輸速率可達到10Mbps,適用于高速數據傳輸場景。

參數
電源電壓:4.75V~5.25V
數據速率:2.5Mbps
驅動器/接收器:1/1
工作溫度:-40℃~+85℃
應用
工業自動化
儀器儀表
電力系統監控

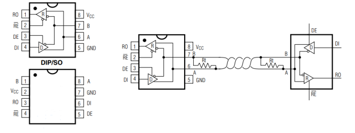
引腳和簡化電路原理圖

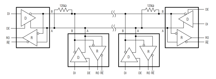
典型的半雙工RS-485網絡應用電路圖
詢價列表 ( 件產品)
哦! 它是空的。