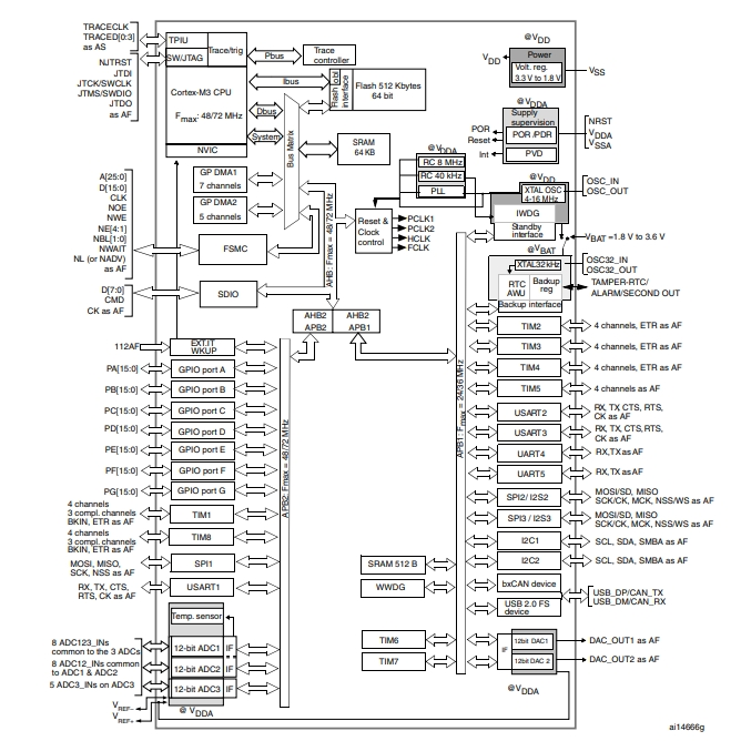
ST(意法半導體)的型號STM32F103RET7屬于32位MCU微控制器,采用集成高性能Arm?Cortex?-M3 32位RISC核心,在72MHz頻率下工作,高速嵌入式存儲器(閃存高達512千字節,SRAM高達64千字節),以及廣泛的增強I/ o和連接到兩個APB總線的外設。

STM32F103RET7提供3個12位adc,4個通用16位定時器加上兩個PWM定時器,以及標準和高級通信接口:最多兩個i2c,三個spi,兩個I2Ss,一個SDIO, 5個usart,一個USB和一個CAN。
一、STM32F103RET7的功能特點
1、高性能:STM32F103RET7采用72MHz的工作頻率,具備高達1.25 DMIPS/MHz的處理能力,適用于處理高性能應用程序。
2、豐富的外設:STM32F103RET7內置了豐富的外設,包括多個通用定時器,16位和12位的模數轉換器(ADC),多個串行通信接口(如USART、SPI、I2C)以及GPIO端口等,可滿足各種應用需求。
3、內存和存儲器:STM32F103RET7具有512KB的Flash存儲器和64KB的SRAM,可提供足夠的程序存儲和數據存儲空間。
4、低功耗:STM32F103RET7支持多種低功耗模式,包括待機模式、睡眠模式和停機模式,以盡可能地節省功耗。
5、強大的調試和開發支持:意法半導體提供了全面的開發工具和軟件支持,包括集成開發環境(IDE)、調試器和軟件庫等,有助于加快產品的開發和調試過程。
6、安全性:STM32F103RET7支持硬件加密和校驗機制,可提供高級的安全性保護,保護程序和數據免受未經授權的訪問。
二、STM32F103RET7的應用領域
STM32F103RET7是一款具有豐富功能和強大性能的MCU微控制器,其主要應用領域如下:
1、工業自動化:STM32F103RET7可用于控制工業機械和設備,控制電機和執行器的位置和速度。它可以實現高精度的位置控制、速度控制和數據采集,并能處理實時監控和通信需求。
2、消費類電子產品:STM32F103RET7適用于消費者電子產品,如智能手機、平板電腦、數字相機、音頻設備等。它能夠處理復雜的圖形界面、多媒體數據處理和連接外部傳感器等任務。
3、醫療設備:STM32F103RET7在醫療設備領域中具有廣泛的應用,如醫療監護儀、心電圖機、血壓計、血糖儀等。它能夠處理生物信號采集、數據處理和通信功能,滿足醫療設備的高可靠性和低功耗要求。
4、物聯網(IoT)應用:STM32F103RET7可用于物聯網設備,如智能家居、智能城市、智能農業等。它能夠實現傳感器數據的采集和處理、通信連接和數據存儲,實現智能化的物聯網應用。
5、家用電器控制:STM32F103RET7可以通過控制家用電器的開關、傳感器和狀態監控,實現家庭自動化和智能化。它能夠處理各種家用電器設備的控制任務。
三、STM32F103RET7的中文參數
品牌:ST(意法半導體)
產品分類:32位MCU
程序存儲容量:512KB(512K x 8)
程序存儲器類型:閃存
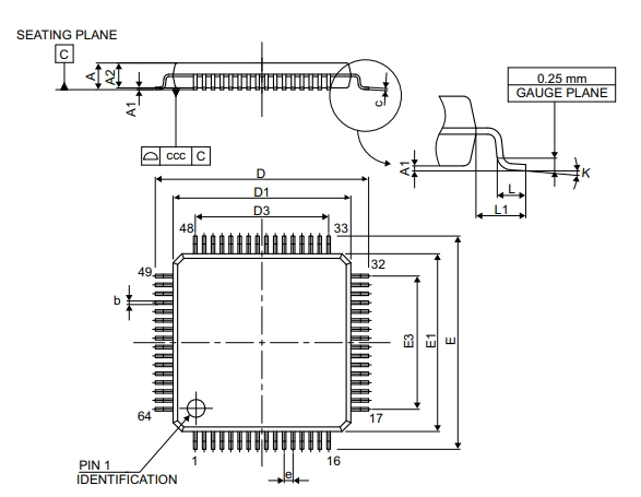
封裝:64-LQFP(10x10)
RAM大小:64K x 8
商品標簽:通用類MCU
電壓-供電(Vcc/Vdd):2V ~ 3.6V
核心處理器:ARM Cortex-M3
數據轉換器:A/D 16x12b;D/A 2x12b
內核規格:32-位
振蕩器類型:內部
速度:72MHz
工作溫度:-40°C ~ 105°C(TA)
連接能力:CANbus,I2C,IrDA,LIN,SPI,UART/USART,USB
安裝類型:表面貼裝型
外設:DMA,電機控制 PWM,PDR,POR,PVD,PWM,溫度傳感器,WDT
基本產品編號:STM32F103
I/O數:51
四、STM32F103RET7的引腳圖

五、STM32F103RET7的功能框圖

六、STM32F103RET7的封裝圖

七、STM32F103RET7的料號解釋圖

詢價列表 ( 件產品)
哦! 它是空的。